
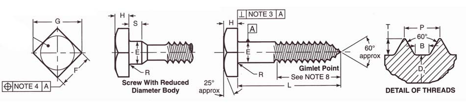
| Nominal Size or Basic product Diameter | Body or Shoulder Diameter, E | Width Across Flats, F | Width Across Corners, G | Head Height, H | Minimum Shoulder Length, S | Radius of Fillet, R | |||||||
|---|---|---|---|---|---|---|---|---|---|---|---|---|---|
| Max. | Min. | Basic | Max. | Min. | Max. | Min. | Basic | Max. | Min. | Max. | Min. | ||
| No. 10 0.1900 |
0.199 | 0.178 | 9/32 | 0.281 | 0.271 | 0.398 | 0.372 | 1/8 | 0.140 | 0.110 | 0.094 | 0.03 | 0.01 |
| 1/4 0.2500 |
0.260 | 0.237 | 3/8 | 0.375 | 0.362 | 0.530 | 0.498 | 11/64 | 0.188 | 0.156 | 0.094 | 0.03 | 0.01 |
| 5/16 0.3125 |
0.324 | 0.298 | 1/2 | 0.500 | 0.484 | 0.707 | 0.665 | 13/64 | 0.220 | 0.186 | 0.125 | 0.03 | 0.01 |
| 3/8 0.3750 |
0.388 | 0.360 | 9/16 | 0.562 | 0.544 | 0.795 | 0.747 | 1/4 | 0.268 | 0.232 | 0.125 | 0.03 | 0.01 |
| 7/16 0.4375 |
0.452 | 0.421 | 5/8 | 0.625 | 0.603 | 0.884 | 0.828 | 19/64 | 0.316 | 0.278 | 0.156 | 0.03 | 0.01 |
| 1/2 0.5000 |
0.515 | 0.482 | 3/4 | 0.750 | 0.725 | 1.061 | 0.995 | 21/64 | 0.348 | 0.308 | 0.156 | 0.03 | 0.01 |
| 5/8 0.6250 |
0.642 | 0.605 | 15/16 | 0.938 | 0.906 | 1.326 | 1.244 | 27/64 | 0.444 | 0.400 | 0.312 | 0.06 | 0.02 |
| 3/4 0.7500 |
0.768 | 0.729 | 1 1/8 | 1.125 | 1.088 | 1.591 | 1.494 | 1/2 | 0.524 | 0.476 | 0.375 | 0.06 | 0.02 |
| 7/8 0.8750 |
0.895 | 0.852 | 1 5/16 | 1.312 | 1.269 | 1.856 | 1.742 | 19/32 | 0.620 | 0.568 | 0.375 | 0.06 | 0.02 |
| 1 1.0000 |
1.022 | 0.976 | 1 1/2 | 1.500 | 1.450 | 2.121 | 1.991 | 21/32 | 0.684 | 0.628 | 0.625 | 0.09 | 0.03 |
| 1 1/8 1.1250 |
1.149 | 1.098 | 1 11/16 | 1.688 | 1.631 | 2.386 | 2.239 | 3/4 | 0.780 | 0.720 | 0.625 | 0.09 | 0.03 |
| 1 1/4 1.2500 |
1.277 | 1.223 | 1 7/8 | 1.875 | 1.812 | 2.652 | 2.489 | 27/32 | 0.876 | 0.812 | 0.625 | 0.09 | 0.03 |
| Nomianal Size or Basic product Diameter | Threads per inch. | Major Diameter | Root Diameter | Length Tolerance | ||||
|---|---|---|---|---|---|---|---|---|
| Max. | Min. | Max. | Min. | ≥ 6 in. | > 6 in. | |||
| No. 10 | 0.190 | 11 | 0.199 | 0.178 | 0.122 | 0.107 | ±0.12 | ±0.25 |
| 1/4 | 0.250 | 10 | 0.260 | 0.237 | 0.177 | 0.160 | ±0.12 | ±0.25 |
| 5/16 | 0.312 | 9 | 0.324 | 0.298 | 0.228 | 0.210 | ±0.12 | ±0.25 |
| 3/8 | 0.375 | 7 | 0.388 | 0.360 | 0.268 | 0.250 | ±0.12 | ±0.25 |
| 1/2 | 0.500 | 6 | 0.515 | 0.482 | 0.374 | 0.354 | ±0.12 | ±0.25 |
| 5/8 | 0.625 | 5 | 0.642 | 0.605 | 0.473 | 0.453 | ±0.25 | ±0.25 |
| 3/4 | 0.750 | 4 1/2 | 0.768 | 0.729 | 0.582 | 0.562 | ±0.25 | ±0.25 |
| 7/8 | 0.875 | 4 | 0.895 | 0.852 | 0.686 | 0.665 | ±0.25 | ±0.25 |
| 1 | 1.000 | 3 1/2 | 1.022 | 0.976 | 0.784 | 0.760 | ±0.25 | ±0.25 |
| 1 1/8 | 1.125 | 3 1/4 | 1.149 | 1.100 | 0.892 | 0.867 | ±0.25 | ±0.25 |
| 1 1/4 | 1.250 | 3 1/4 | 1.277 | 1.223 | 1.017 | 0.987 | ±0.25 | ±0.25 |