Home
DIN Fasteners
DIN 315 Wing Nut
DIN 315 Wing Nut
Equivalent Standards
CSN 21665
UNI 5448
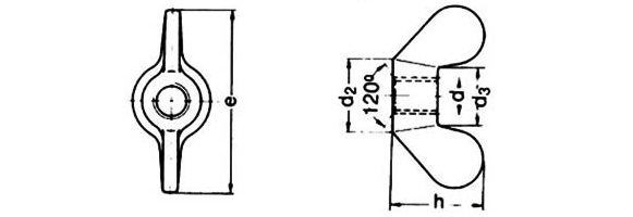
DIN 315 Dimensions for Wing Nuts
Size
e max
h max
d max
d2 max
d3 max
M3
16
8
4
6
5
M4
20
10.5
4.6
8
7
M5
26
13
6.5
11
9
M6
33
17
8
13
11
M8
39
20
10
16
12.5
M10
51
25
12
20
16.5
M12
65
33.5
14
23
19.5
M16
73
37.5
17
29
23
M20
90
46.5
21
35
29
M24
110
56.5
25
44
37.5