Home
DIN Fasteners
DIN 436 Square Washer
DIN 436 Square Washer
Equivalent Standards
CSN 21724
PN 82010
UNI 6596
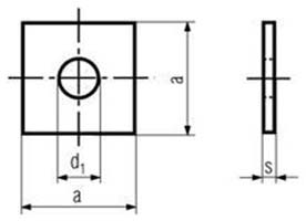
DIN 436 Dimensions for Square Washer
Size
d1
a
s
M8
9
-
-
M10
11
30
3
M12
13.5
40
4
M16
17.5
50
5
M20
22
60
5
M22
24
70
6
M24
26
80
6
M27
30
90
6
M30
33
95
6
M35
36
100
6
M38
39
110
8
M41
42
125
8
M44
45
135
8
M47
48
140
8
M51
52
150
10
M55
56
160
10