Home
DIN Fasteners
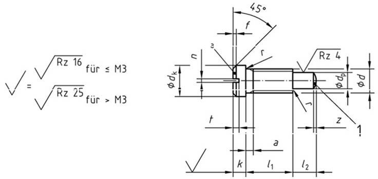
Slotted Pan Head Screws, Small Head & Full Dog Point
DIN 922 : Slotted Pan Head Screws, Small Head & Full Dog Point
Dimensions of Slotted Pan Head Screws, Small Head & Full Dog Point
d
d
d
k
n
M 1.4
0.8
2
0.9
0.25
M 1.6
0.8
2.3
1
0.3
M 2
1.2
2.8
1.2
0.3
M 2.5
1.5
3.5
1.5
0.4
M 3
2
4
1.8
0.5
M 3.5
2.5
4.5
2
0.5
M 4
2.8
5.5
2.4
0.6
M 5
3.5
6.5
2.7
0.8
M 6
4.5
8
3.1
1
M 8
6
10
3.8
1.2
M 10
7.5
13
4.6
1.6